A weather station is a set of sensors that record and provide physical measurements and meteorological parameters related to climate variabilities. The variables to be measured are temperature, pressure, wind speed and direction, humidity, cloud height and type, and precipitation type and intensity. The stations may have sensors for all or only part of this information, depending on their type: PV- Meteorological, Agro-Meteorological, Climatological, etc.
What sensors are typically included in a PV-weather station?
A weather station for PV (photovoltaic) plants usually includes a combination of sensors to monitor environmental and system conditions. Common sensors include:
| Sensor Type | Measurement | Notes / Requirements |
| Irradiance sensor | Solar radiation ( direct, diffuse, reflected) POA | Must be aligned with PV panel orientation; minimal shading |
| Ambient temperature sensor | Air temperature | Shaded, ventilated enclosure (radiation shield) |
| Module temperature sensor | Temperature of PV module surface | Usually affixed beneath or on panel |
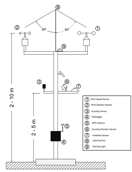
| Wind speed sensor (anemometer) | Wind velocity | 2 – 10 m height above ground; avoid obstructions |
| Wind direction sensor | Wind direction | Co-located with wind speed sensor |
| Humidity sensor | Relative humidity | Placed away from water bodies, vegetation influence |
| Rain gauge / precipitation sensor | Rainfall / snowfall amounts | Horizontal mount; minimal nearby obstruction |
Sometimes other sensors may be included, depending on the station and area of use.
Where should each sensor be installed for optimal accuracy?
Weather stations have to be installed at a good distance from any tall object. Otherwise, if the meteorological station is installed under a tree, for example, or in front of a larger object, the precipitation data obtained will be incorrect. For that reason, the placement of a meteorological station is very important.

The weather station shall be At least 10 times the height of the obstacles around the solar measuring station.
The meteorological station has to be placed 30.5 meters from the aisle. Otherwise, it will cause a wind tunnel effect on the anemometer sensor, which will give incorrect wind data.

How do you place a PV irradiance (pyranometer) sensor?

The irradiance sensor should be installed so that it receives solar radiation directly from the sun, for example, at a distance at least 10 times greater than the height of any potential shading source. It must be aligned with the photovoltaic panels to ensure the same measurement conditions. The height at which the PV pyranometer is mounted is not critical for measurement accuracy.
SEVEN Sensor Solutions provides an irradiance sensor with 6 mm diameter fixing holes and mounting brackets on both the left and right sides, allowing flexible installation on the solar panel regardless of its position. Note that the SEVEN irradiance sensor includes an output port for connection to the DataLogger via an RS485 cable, along with up to 5 inputs for connecting additional sensors.
How high and where should wind sensors go?

The wind speed sensor should ideally be installed at a height between 2 and 10 meters above the ground. It is also necessary to avoid any obstacle in the proximity of this measuring tool in order not to disturb the airflow and thus its measurements. As a solutions founder, SEVEN sensor provides wind speed sensors mounted on brackets, so that they can be adapted to any panel location.
How must temperature sensors be located and shielded?

The temperature sensors must never be exposed directly to sunlight and should always be housed in a radiation shield, which protects them from radiation effects. For specific requirements, the ambient temperature sensor must be installed at least 15 meters away from the nearest paved surface, while the module temperature sensor should be placed beneath the PV panel. The SEVEN Ambient Temperature Sensor is mounted inside a solar radiation shield with 4 aspirated plates, as shown in the picture above, allowing free airflow. The SEVEN Module Temperature Sensor is enclosed in a plastic housing and attached using double-sided heat-conducting tape, ensuring accurate data collection beneath the PV panels.
Where to mount the precipitation (rain gauge) sensor?

The rain gauge or precipitation sensor must be placed horizontally at a distance of at least 1.5 meters from the nearest obstacle. If the nearest obstacle is more than 1.5 meters away, then the rain gauge should not exceed 3 meters in height. It is also important that excess rain can drain freely from the sensor, so ensure that water does not accumulate at its base.
Where to place the humidity sensor?
Because water bodies and plants can influence humidity measurements, the humidity sensor should be placed at least 15 meters away from the nearest tree or water body.
Summary Table: Sensor vs Installation Requirements
| Sensor | Height / Distance | Shielding / Exposure | Notes |
| Irradiance | At module plane, clear of shade | No shading within 10× obstacle height | Align with PV modules |
| Wind speed / direction | 2 – 10 m above ground | Full exposure, no obstructions | ≥s30,5 m from PV rows to avoid wind tunnel effect |
| Ambient temperature | ~1–2 m height, 15 m from pavement | Radiation shield / ventilated shield | Shielded from sun |
| Module temperature | Attached to module surface | Protected from direct sun radiative heating (housing) | Must reflect actual module temperature |
| Rain gauge | ≤ 3 m height, ≥1,5 m from obstacles | Horizontal mounting, free drainage | Avoid accumulation & obstruction |
| Humidity | At ambient sensor level, ≥15 m from water / trees | Ventilated placement | Avoid local microclimate influence |
What after-installation service & monitoring is required?
To sum up, proper placement of sensors is essential when installing a weather station to avoid errors during operation and data collection. After installation, the next step is to control and monitor the solar photovoltaic plant. For this purpose, various monitoring programs support both on-site and remote configuration. Examples include FusionSolar for Huawei meteorological stations, ProMate for GoodWe, and SUNNY Portal for SMA weather stations.
At SEVEN Sensor Solutions, we provide complete weather stations that meet all the installation requirements mentioned above and are compatible with many dataloggers such as SmartLogger, EzLogger, Shinemaster, Gateway, Data Manager M, and others. In addition, we are authorized to offer remote setup support to our customers to simplify configuration.
Frequently Asked Questions
Q: Can the irradiance sensor height vary without much effect?
A: Yes, the absolute height isn’t critical as long as shading is avoided and alignment with PV modules is maintained. What matters most is unobstructed sky view.
Q: What is the “10× obstacle height” rule?
A: It means if an obstacle is “h” meters tall, the sensor should be placed at least 10 × h horizontally away (or above) so that it sees unobstructed sky and is not shaded.
Q: Do temperature sensors need active fans or aspirators?
A: Passive (well-vented) radiation shields are often sufficient in many sites. However, aspirated shields (with forced ventilation) can reduce solar heating bias in harsh environments.
Q: How often should sensors be calibrated or validated?
A: It depends on sensor drift, site conditions, and more specifically on standard recommendations such as the IEC61724-1. Check this article for more details Sensor Calibration Over Time: How Often and Why It Matters? | Seven Sensor
Q: What if my site has nearby trees or structures?
A: You must place sensors well outside their influence (e.g. distance = 10× height for irradiance, 1.5 m for rain, etc.). If impossible, choose the least-biased location and document the known sources of error.
Q: What accessories or supports are needed?
A: You may need poles, mounting brackets, leveling plates, cables (e.g. RS-485), grounding kits, and alignment tools (e.g. bubble levels, inclinometers).